8010A DC axial flow fan
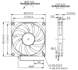
8010A DC Axial Flow Fan — 80.0 × 80.0 × 11.0 mm

✯ Structural Features
Frame & Blade Material
- Frame: Engineering Plastic
- Impeller: Engineering Plastic
Bearing Structure: Dual Ball Bearings
Weight: 39.0 g
✯ Mechanical Dimensions

✯ Airflow Performance Curve

Basic Fan Specifications
| Model | Voltage (V) | Operating Voltage Range (V) | Power (W) | Speed (RPM) | Airflow (m³/h) | Static Pressure (Pa) | Noise (dBA) | Curve |
| J80FZW125-10A00 | 12 | 8.0~13.8 | 1.8 | 2500 | 30.7 | 12.4 | 26.4 | ① |
| J80FZW130-10A00 | 12 | 8.0~13.8 | 2.28 | 3000 | 36.8 | 17.8 | 30.2 | ② |
| J80FZW140-10A00 | 12 | 8.0~13.8 | 3.0 | 4000 | 49.1 | 31.7 | 36.6 | ③ |
| J80FZW225-10A00 | 24 | 16.0~27.6 | 1.92 | 2500 | 30.7 | 12.4 | 26.4 | ① |
| J80FZW230-10A00 | 24 | 16.0~27.6 | 3.12 | 3000 | 36.8 | 17.8 | 30.2 | ② |
| J80FZW240-10A00 | 24 | 16.0~27.6 | 3.84 | 4000 | 49.1 | 31.7 | 36.6 | ③ |
| J80FZW325-10A00 | 28 | 18.0~32.0 | 2. 02 | 2500 | 30.7 | 12.4 | 26.4 | ① |
| J80FZW330-10A00 | 28 | 18.0~32.0 | 3.2 | 3000 | 36.8 | 17.8 | 30.2 | ② |
| J80FZW340-10A00 | 28 | 18.0~32.0 | 4.05 | 4000 | 49.1 | 31.7 | 36.6 | ③ |
- Notes: Available voltage options: 5V, 12V, 24V, 28V, 48V
- In the model number, the second digit from the end “0” indicates the signal function,
and the last digit “0” indicates the environmental performance rating. - Users may select according to actual requirements based on Table 1 and Table 2.
Table 1: Signal Functions
| Signal function code | 0 | 1 | 2 | 3 | 4 | 5 |
| Function Description | No Function | PWM Duty Cycle Speed Control | High-Level Fault Alarm | Tachometer (RPM) Feedback | PWM Duty Cycle Control + High-Level Fault Alarm | PWM Duty Cycle Control + Tachometer Feedback |
Table 2: Environmental Adaptability Ratings
| Code | Application Standard | 0 (Ground / Vehicle-Mounted) | 1 (Marine / Naval Applications) | |
| High Temperature | GJB150.3A-2009 | Storage: 80°C, Operation: 75°C | ||
| Low Temperature | GJB150.4A-2009 | Storage: –50°C, Operation: –40°C | ||
| Rain / Water Ingress | GJB150.8A-2009 | Enhanced, 1 hour per surface | ||
| Damp Heat (Humidity) | GJB150.9A-2009 | Cyclic humidity: 30°C–60°C, RH 95%±5%, 24h per cycle, 10 cycles | ||
| Fungus Resistance | GJB150.10A-2009 | Fungus group 1 or group 2, 28 days | ||
| Salt Spray | GJB150.11A-2009 | Neutral salt spray 192 hours | Acidic Salt Spray, 192 hours | |
| Sand & Dust | GJB150.12A-2009 | Blowing sand and dust test | ||
| Acceleration | GJB150.15A-2009 | Three-axis, six-direction;
Performance test level: 9g, Structural test level: 13.5g |
||
| Shock | GJB150.18A-2009 | Three-axis, six-direction, 18 shocks total, 20g | ||
| Low Air Pressure | GJB150.2A-2009 | / | ||
| Acidic Atmosphere | GJB150.28A-2009 | / | ||
| EMC (Electromagnetic Compatibility) | GJB151B-2013 | / | ||
| Power Supply Characteristics | GJB181B-2012 | / | ||
| Vibration | GJB150.16A-2009 | |||
Vibration GJB150.16A-2009
0 (Ground / Vehicle-Mounted)

1 (Marine / Naval Applications)

